製品

再現性:±0.01mm
水平荷重:150kg
垂直荷重:55kg
最高速度:2000mm/秒
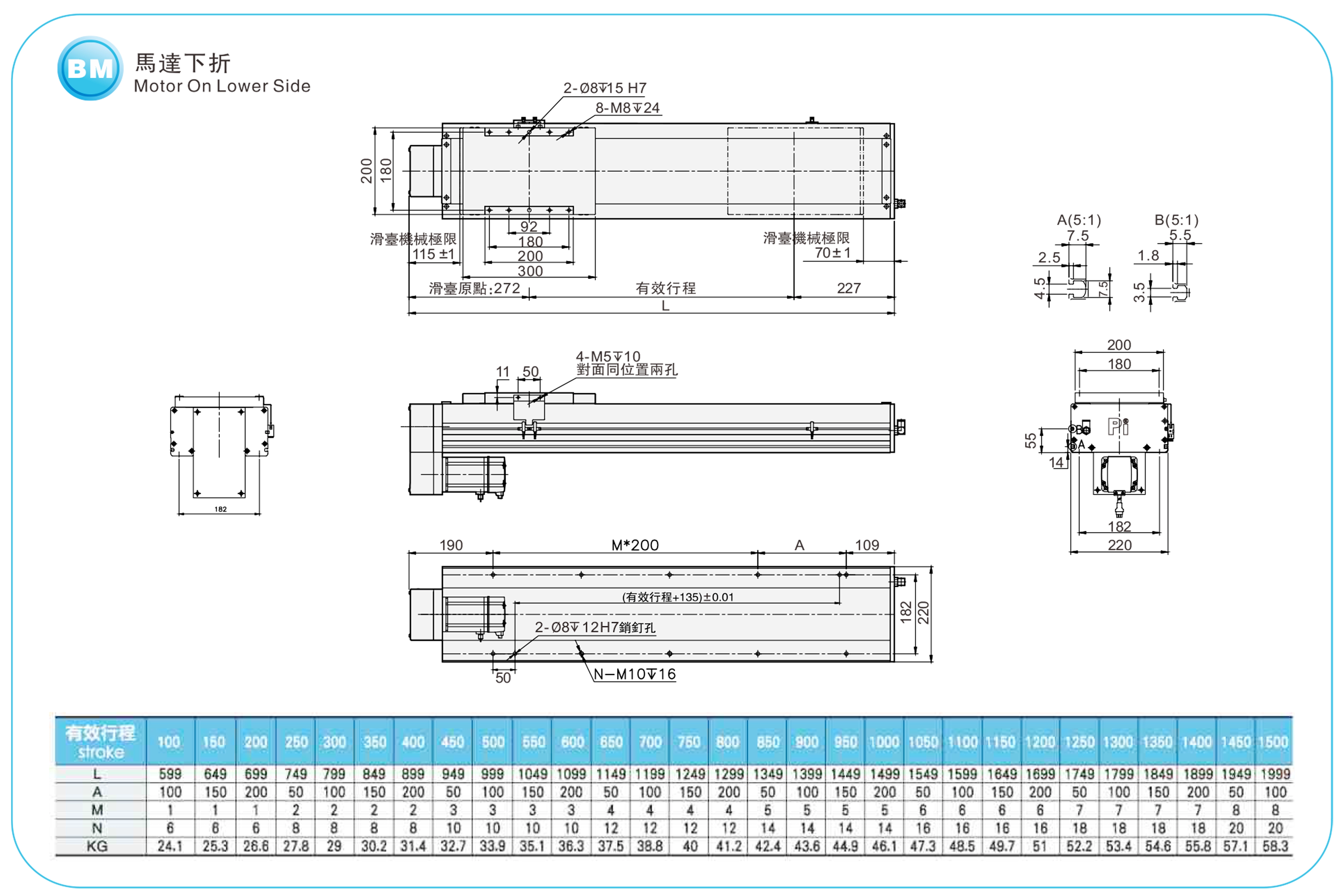
ストロークピッチ:100~1500mm
モーターの加速と減速を0.2秒に設定してください。
標準仕様は、逆さ吊りクレーンの使用には適用できません。ご要望がございましたら、お電話またはオンラインでお問い合わせください。
配送期間:7~10日






| 仕様 | 再現性(mm) | ±0.01 | ||||
| ボールねじのリード(mm) | 5 | 10 | 20 | 40 | ||
| 最高速度(mm/秒) | 250 | 500 | 1000 | 2000 | ||
| 最大積載量 | 水平方向(kg) | 150 | 150 | 105 | 40 | |
| 垂直方向(kg) | 55 | 45 | 20 | 12 | ||
| 定格推力(N) | 2565 | 1281 | 640 | 320 | ||
| ストロークピッチ(mm) | 100~1500mm/50mmピッチ | |||||
| 部品 | ACサーボモーター出力(W) | 750W | ||||
| ボールねじの直径(mm) | C7Ø25 | |||||
| 高剛性リニアガイド(mm) | W23XH18 | |||||
| カップリング(mm) | 17×19 | |||||
| ホームセンサー | 外 | EE-SX672(NPN) | ||||
| 内蔵型 | EE-SX674(NPN) | |||||


| 水平設置 | A | B | C | |
| リード5 | 100kg | 5000 | 633 | 557 |
| 125kg | 3880 | 491 | 431 | |
| 150kg | 3357 | 396 | 347 | |
| リード10 | 100kg | 3220 | 563 | 474 |
| 125kg | 2554 | 434 | 367 | |
| 150kg | 2113 | 349 | 295 | |
| リード25 | 65kg | 1522 | 614 | 458 |
| 85kg | 1136 | 451 | 336 | |
| 105kg | 893 | 350 | 262 | |
| リード40 | 18kg | 2445 | 1616 | 1052 |
| 30kg | 1436 | 938 | 613 | |
| 40kg | 978 | 630 | 412 | |

| 壁面設置 | A | B | C | |
| リード5 | 110kg | 500 | 569 | 4500 |
| 130kg | 412 | 469 | 3711 | |
| 150kg | 347 | 396 | 3357 | |
| リード10 | 110kg | 427 | 503 | 2900 |
| 130kg | 351 | 414 | 2444 | |
| 150kg | 295 | 349 | 2113 | |
| リード25 | 70kg | 420 | 564 | 1404 |
| 90kg | 315 | 420 | 1066 | |
| 105kg | 262 | 350 | 893 | |
| リード40 | 15kg | 1272 | 1955 | 2948 |
| 24kg | 778 | 1190 | 1813 | |
| 43kg | 412 | 630 | 978 | |

| 垂直設置 | A | C | |
| リード5 | 30kg | 2355 | 2355 |
| 40kg | 1768 | 1768 | |
| 55kg | 1288 | 1288 | |
| リード10 | 25kg | 2505 | 2505 |
| 35kg | 1795 | 1795 | |
| 45kg | 1396 | 1396 | |
| リード25 | 15kg | 2711 | 2711 |
| 20kg | 2033 | 2033 | |
| 20kg | 2033 | 2033 | |
| リード40 | 7kg | 3511 | 3511 |
| 12kg | 2055 | 2055 | |
| 12kg | 2055 | 2055 | |

| 私の | 2052 |
| 国会議員 | 2052 |
| 氏 | 1810 |
| 使用場所 | 駆動モード | モデル仕様 | モーター出力 (w) | 幅(mm) | 再現性 (mm) | ボールねじ仕様 | 最大積載量(kg) | 最高速度 (mm/s) *1 | ||
|---|---|---|---|---|---|---|---|---|---|---|
| 外径(mm) | リード(mm) | 水平 | 垂直 | |||||||
| 標準環境 | ボールねじ | RMD12 | 100W | 102 | ±0.01 | 16 | 5 | 50 | 12 | 250 |
| 10 | 30 | 8 | 500 | |||||||
| 20 | 18 | 3 | 1000 | |||||||
| 32 | 5 | - | 1600 | |||||||
| 200W | 102 | ±0.01 | 16 | 5 | 50 | 12 | 250 | |||
| 10 | 30 | 8 | 500 | |||||||
| 20 | 18 | 3 | 1000 | |||||||
| 32 | 5 | - | 1600 | |||||||
| RMD14 | 200W | 135 | ±0.01 | 16 | 5 | 95 | 27 | 250 | ||
| 10 | 75 | 18 | 500 | |||||||
| 20 | 35 | 7 | 1000 | |||||||
| 32 | 15 | - | 1600 | |||||||
| 400W | 135 | ±0.01 | 16 | 5 | 110 | 33 | 250 | |||
| 10 | 88 | 22 | 500 | |||||||
| 20 | 40 | 10 | 1000 | |||||||
| 32 | 30 | 8 | 1600 | |||||||
| RMD17 | 400W | 170 | ±0.01 | 20 | 5 | 120 | 40 | 250 | ||
| 10 | 110 | 30 | 500 | |||||||
| 20 | 75 | 14 | 1000 | |||||||
| 40 | 22 | 7 | 2000 | |||||||
| 750W | 170 | ±0.01 | 20 | 5 | 120 | 50 | 250 | |||
| 10 | 120 | 40 | 500 | |||||||
| 20 | 83 | 25 | 1000 | |||||||
| 40 | 43 | 12 | 2000 | |||||||
| RMD22 | 750W | 220 | ±0.01 | 25 | 5 | 150 | 55 | 250 | ||
| 10 | 150 | 45 | 500 | |||||||
| 25 | 105 | 20 | 1250 | |||||||
| 20 | 40 | 43 | 12 | 2000 | ||||||
| RMD28 | 1500W | 280 | ±0.01 | 32 | 10 | 320 | 150 | 500 | ||
| 20 | 180 | 75 | 1000 | |||||||
| 32 | 75 | 35 | 1600 | |||||||
* 最高速度はサーボモーターの最大回転数(3000rpm)に基づいています。最高速度はステッピングモーターの最大回転数(500rpm)に基づいています。






