製品

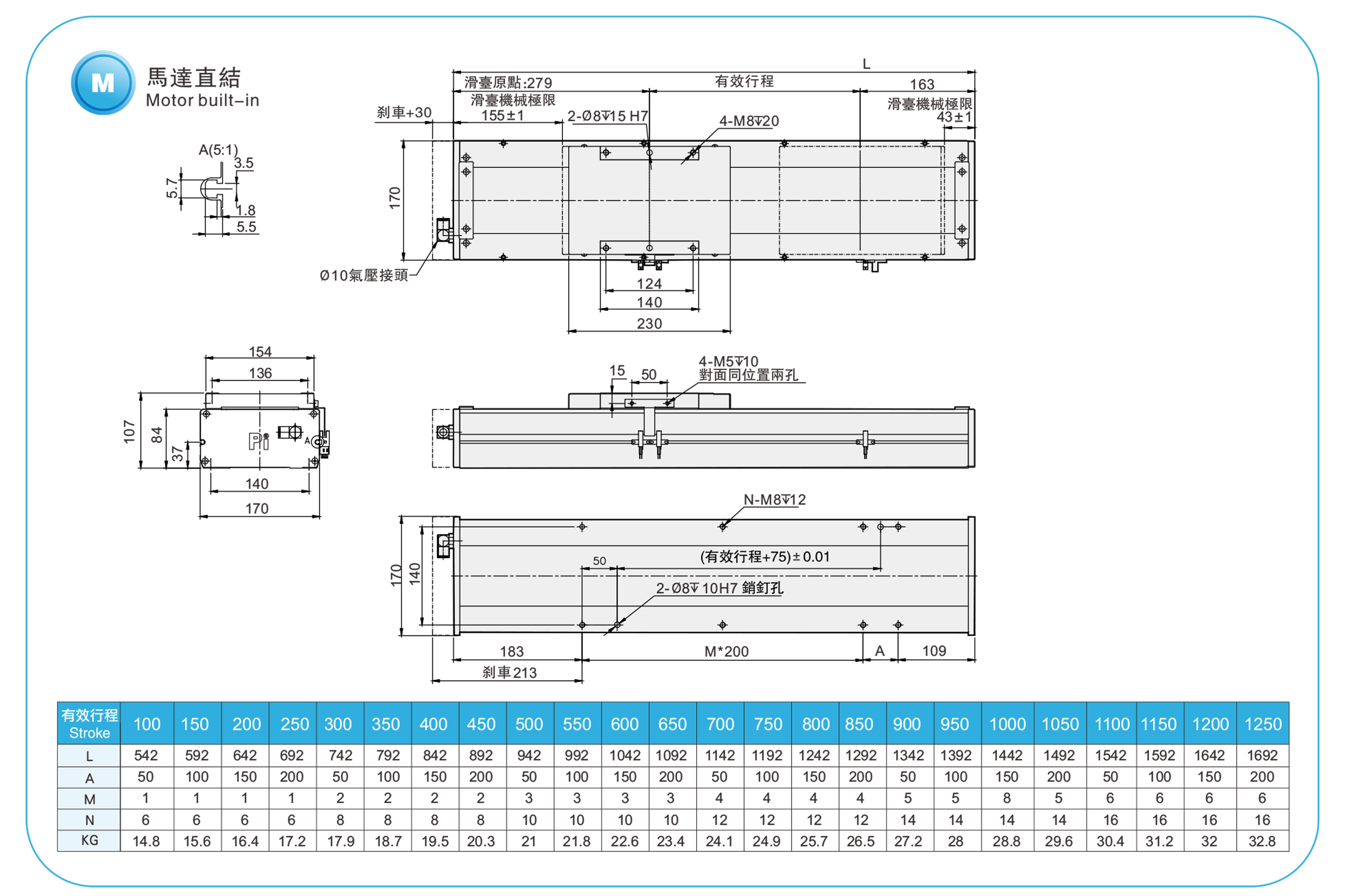
再現性:±0.01mm
水平荷重:120kg
垂直荷重:50kg
最高速度:2000mm/秒
ストロークピッチ:100~1250mm
モーターの加速と減速を0.2秒に設定してください。
標準仕様は、逆さ吊りクレーンの使用には適用できません。ご要望がございましたら、お電話またはオンラインでお問い合わせください。
配送期間:7~10日






| 仕様 | 再現性(mm) | ±0.01 | ||||
| ボールねじのリード(mm) | 5 | 10 | 20 | 40 | ||
| 最高速度(mm/秒) | 250 | 500 | 1000 | 2000 | ||
| 最大積載量 | 水平方向(kg) | 120 | 110 | 75 | 22 | |
| 垂直方向(kg) | 40 | 30 | 14 | 7 | ||
| 定格推力(N) | 1388 | 694 | 347 | 174 | ||
| ストロークピッチ(mm) | 100~1250mm/50mmピッチ | |||||
| 部品 | ACサーボモーター出力(W) | 400W | ||||
| ボールねじの直径(mm) | C7Ø20 | |||||
| 高剛性リニアガイド(mm) | W20XH15 | |||||
| カップリング(mm) | 12×14 | |||||
| ホームセンサー | 外 | EE-SX672(NPN) | ||||
| 内蔵型 | EE-SX674(NPN) | |||||


| 水平設置 | A | B | C | |
| リード5 | 70kg | 3235 | 349 | 408 |
| 90kg | 2482 | 263 | 306 | |
| 120kg | 1850 | 187 | 217 | |
| リード10 | 65kg | 1911 | 338 | 373 |
| 85kg | 1445 | 248 | 276 | |
| 110kg | 1102 | 182 | 202 | |
| リード20 | 35kg | 1666 | 547 | 538 |
| 55kg | 1030 | 331 | 328 | |
| 75kg | 733 | 231 | 230 | |
| リード40 | 15kg | 1126 | 740 | 577 |
| 22kg | 755 | 490 | 384 | |
| - | - | - | - | |

| 壁面設置 | A | B | C | |
| リード5 | 75kg | 377 | 322 | 2988 |
| 95kg | 288 | 246 | 2333 | |
| 120kg | 218 | 187 | 1850 | |
| リード10 | 60kg | 408 | 368 | 2092 |
| 80kg | 296 | 266 | 1554 | |
| 110kg | 202 | 182 | 1102 | |
| リード20 | 30kg | 633 | 644 | 1961 |
| 50kg | 365 | 369 | 1143 | |
| 75kg | 230 | 231 | 733 | |
| リード40 | 12kg | 729 | 936 | 1417 |
| 22kg | 384 | 491 | 755 | |
| - | - | - | - | |

| 垂直設置 | A | C | |
| リード5 | 20kg | 1368 | 1368 |
| 30kg | 911 | 911 | |
| 40kg | 683 | 683 | |
| リード10 | 15kg | 1618 | 618 |
| 25kg | 970 | 970 | |
| 30kg | 808 | 808 | |
| リード20 | 10kg | 1922 | 1922 |
| 14kg | 1377 | 1377 | |
| - | - | - | |
| リード40 | 4kg | 2377 | 2377 |
| 7kg | 1356 | 1356 | |
| - | - | - | |

| 私の | 1032 |
| 国会議員 | 1034 |
| 氏 | 908 |
| 使用場所 | 駆動モード | モデル仕様 | モーター出力 (w) | 幅(mm) | 再現性 (mm) | ボールねじ仕様 | 最大積載量(kg) | 最高速度 (mm/s) *1 | ||
|---|---|---|---|---|---|---|---|---|---|---|
| 外径(mm) | リード(mm) | 水平 | 垂直 | |||||||
| 標準環境 | ボールねじ | RMD12 | 100W | 102 | ±0.01 | 16 | 5 | 50 | 12 | 250 |
| 10 | 30 | 8 | 500 | |||||||
| 20 | 18 | 3 | 1000 | |||||||
| 32 | 5 | - | 1600 | |||||||
| 200W | 102 | ±0.01 | 16 | 5 | 50 | 12 | 250 | |||
| 10 | 30 | 8 | 500 | |||||||
| 20 | 18 | 3 | 1000 | |||||||
| 32 | 5 | - | 1600 | |||||||
| RMD14 | 200W | 135 | ±0.01 | 16 | 5 | 95 | 27 | 250 | ||
| 10 | 75 | 18 | 500 | |||||||
| 20 | 35 | 7 | 1000 | |||||||
| 32 | 15 | - | 1600 | |||||||
| 400W | 135 | ±0.01 | 16 | 5 | 110 | 33 | 250 | |||
| 10 | 88 | 22 | 500 | |||||||
| 20 | 40 | 10 | 1000 | |||||||
| 32 | 30 | 8 | 1600 | |||||||
| RMD17 | 400W | 170 | ±0.01 | 20 | 5 | 120 | 40 | 250 | ||
| 10 | 110 | 30 | 500 | |||||||
| 20 | 75 | 14 | 1000 | |||||||
| 40 | 22 | 7 | 2000 | |||||||
| 750W | 170 | ±0.01 | 20 | 5 | 120 | 50 | 250 | |||
| 10 | 120 | 40 | 500 | |||||||
| 20 | 83 | 25 | 1000 | |||||||
| 40 | 43 | 12 | 2000 | |||||||
| RMD22 | 750W | 220 | ±0.01 | 25 | 5 | 150 | 55 | 250 | ||
| 10 | 150 | 45 | 500 | |||||||
| 25 | 105 | 20 | 1250 | |||||||
| 20 | 40 | 43 | 12 | 2000 | ||||||
| RMD28 | 1500W | 280 | ±0.01 | 32 | 10 | 320 | 150 | 500 | ||
| 20 | 180 | 75 | 1000 | |||||||
| 32 | 75 | 35 | 1600 | |||||||
* 最高速度はサーボモーターの最大回転数(3000rpm)に基づいています。最高速度はステッピングモーターの最大回転数(500rpm)に基づいています。






